手搖刷式籃式過濾器產品概述
手搖刷式籃式過濾器是一種在筒體內裝置濾籃,對水中的雜質進行過濾,并能隨時以在線搖動手柄的方式將濾網上的濾出物去除的濾水器,其清洗刷架組穿過筒蓋,其中帶刷子的那端安裝在由濾筒和濾網組成的無底濾籃內,而另端則連接有手搖柄體,當水流從進水口進入到濾籃內,流經濾筒上包縛的濾網后,其中的懸浮物、膠體、泥沙、黏土、腐殖物、顆粒物等雜質被截留下來,并吸附在絲網內壁上和沉積在筒體底部排污口處,濾后水則能穿過網孔由出水口流出,當需要清洗時,只需手動打開排污閥,并順時針方向搖動手柄數圈,即可完成沖洗排污工作,不必拆卸籃式過濾器零部件,清洗過程中水流不中斷,不影響設備的正常使用和運行,而且時間短,僅需幾分鐘就可以。
手搖刷式籃式過濾器部件材料
| 序號 | 部件名稱 | 材料名稱 | |||||
| 1 | 筒 體 | Q235B | 20# | 304 | 304L | 316 | 316L |
| 2 | 接 管 | Q235B | 20# | 304 | 304L | 316 | 316L |
| 3 | 法 蘭 | Q235B | 20# | 304 | 304L | 316 | 316L |
| 4 | 密 封 墊 | 聚四氟乙烯、柔性石墨復合墊、金屬環形墊、金屬纏繞墊 | |||||
| 5 | 筒 蓋 | Q235B | Q235B | 304 | 304L | 316 | 316L |
| 6 | 濾筒濾網 | 304 | 304 | 304 | 304L | 316 | 316L |
| 7 | 清洗刷架 | Q235B | Q235B | 304 | 304L | 316 | 316L |
| 8 | 刷 子 | 硬質塑料纖維、豬鬃毛、骨質尼龍、不銹鋼 | |||||
| 9 | 排 污 閥 | CF8 | CF8 | CF8 | CF3 | CF8M | CF3M |
| 10 | 螺 柱 | 35CrMo | 35CrMo | 304 | 304 | 316 | 316 |
| 11 | 螺 母 | 30CrMo | 30CrMo | 304 | 304 | 316 | 316 |
手搖刷式籃式過濾器技術參數
| 公稱壓力PN(MPa) | 1.0 | 1.6 | 2.5 | 4.0 | 2.0 | 5.0 |
| 殼體試驗壓力(MPa) | 1.5 | 2.4 | 3.75 | 6.0 | 3.0 | 7.5 |
| 氣密性試驗壓力(MPa) | 1.0 | 1.6 | 2.5 | 4.0 | 2.0 | 5.0 |
| 設計制造 | HG/T 21637-2021、JB/T 7538-2016、SH/T 3411-2017 | |||||
| 連接法蘭 | JB/T 81、GB/T 9119、HG/T 20592、HG/T 20615、SH/T 3406、ASME B16.5等 | |||||
| 檢驗試驗 | HG/T 21637-2021、JB/T 7538-2016、SH/T 3411-2017 | |||||
| 過濾精度 | 100μm ~ 3500μm | |||||
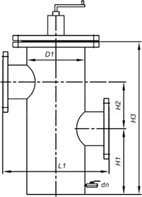
手搖刷式籃式過濾器主要尺寸
| 公稱壓力 PN | 公稱直徑 DN | 結構尺寸/mm | |||||
| D1 | L1 | H1 | H2 | H3 | dn | ||
| 10 ~ 25 20 (Class150) | 40 | 159 | 330 | 160 | 110 | 400 | 20 |
| 50 | 159 | 330 | 160 | 110 | 400 | 20 | |
| 65 | 159 | 330 | 160 | 110 | 400 | 20 | |
| 80 | 159 | 340 | 180 | 140 | 460 | 20 | |
| 100 | 219 | 420 | 220 | 170 | 550 | 20 | |
| 125 | 273 | 500 | 310 | 220 | 720 | 25 | |
| 150 | 273 | 500 | 310 | 220 | 720 | 32 | |
| 200 | 325 | 560 | 390 | 280 | 900 | 32 | |
| 250 | 426 | 660 | 480 | 320 | 1070 | 40 | |
| 300 | 478 | 750 | 640 | 400 | 1360 | 40 | |
| 表中未列出的其他規格尺寸,請咨詢汗越閥門技術部! | |||||||
手搖刷式籃式過濾器結構圖

如果你需訂購我廠籃式過濾器產品,咨詢時煩請說明結構型式(主要分為直通平底、直通封頭、高低接管平底和高低接管封頭等),公稱尺寸、公稱壓力、主體和濾籃材料、過濾精度、端部連接形式,如果是法蘭連接,請注明法蘭標準及密封面形式等。
網站首頁